|
| |
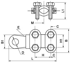
| SA Wintersweet Shaped Red Copper Jointing Clamp |
| |
| Application |
| |
| It is suitable for transition connection of the electric appliances of indoors distributing device and kinds of wire cables. It adopts T2 red copper, the surface nickle plating. |
| |
| Specifications |
| |
|
Type |
L |
L1 |
B |
B1 |
H |
H1 |
D |
M |
|
SA16-25-1 |
39.5 |
15 |
25 |
16.5 |
13 |
13 |
8.5 |
5 |
|
SA16-25-2 |
45 |
15 |
22 |
18 |
13 |
13 |
8.5 |
5 |
|
SA25-35 |
52.5 |
15 |
24.5 |
21.2 |
13.5 |
13.5 |
10.5 |
5 |
|
SA50-70 |
61 |
21 |
31 |
23 |
18.5 |
18.5 |
10.5 |
6 |
|
SA70-95 |
69 |
24 |
35 |
23.5 |
20 |
20 |
10.5 |
6 |
|
SA95-120 |
74 |
20.5 |
42 |
28.5 |
22.5 |
22.5 |
13.5 |
7 |
|
SA20-150 |
73.5 |
30 |
41 |
27 |
24 |
24 |
13.5 |
8 |
|
SA50-185 |
76 |
30 |
42 |
28 |
24.5 |
24.5 |
13.5 |
8 |
|
SA185-240 |
80 |
32 |
44 |
30 |
25 |
25 |
13.5 |
8 |
|
|
|
|
2008 Catalogue Page: H-29 |
| |