电缆配件

PG plastic cable pack PG-length
material:nylon plastic
hermetic seal:nitrile rubber(NBR)
protection degree:IP68-5 pressure(rotate position,with O-seal)
ambient temperature:quiescent state -40oC to 100oC,short time 120oC dynamic -20oC to 80oC,short time to 100oC
supply color:Grey black other color,please inquring.
 
IP68 dust-proof、water proof testing qualified
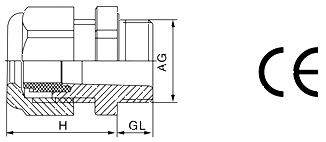
AG(PG) (mm) GL(mm) H(mm) (mm)
7 3-6.5 15 22 16
7 2-5 15 22 16
9 4-8 15 26 19
9 2-6 15 26 19
11 5-10 15 27 22
11 3-7 15 27 22
13.5 6-12 15 28 24
13.5 5-9 15 28 24
16 10-14 15 30 27
16 7-12 15 30 27
21 13-18 15 35 33
21 9-16 15 35 33
29 28-25 18 40 41
29 13-20 18 40 41
36 22-32 18 48 52/53
36 20-26 18 48 52/53
42 32-38 18 49 60/61
42 25-31 18 49 60/61
48 37-44 18 50 64
48 29-35 18 50 64

点击
隐藏

电话
咨询

13819776731
客服热线